Cassetti in legno
Cassetti in legno a pettine o con spine legno.I valori intrinseci sono importanti, anche quando si tratta di componenti d'arredo. I cassetti in legno di altissima qualità ne sono il miglior esempio.



Rifinitura
Cassetti in legno a pettine o con spine legno
Fianchi, frontale e fondo in legno massello
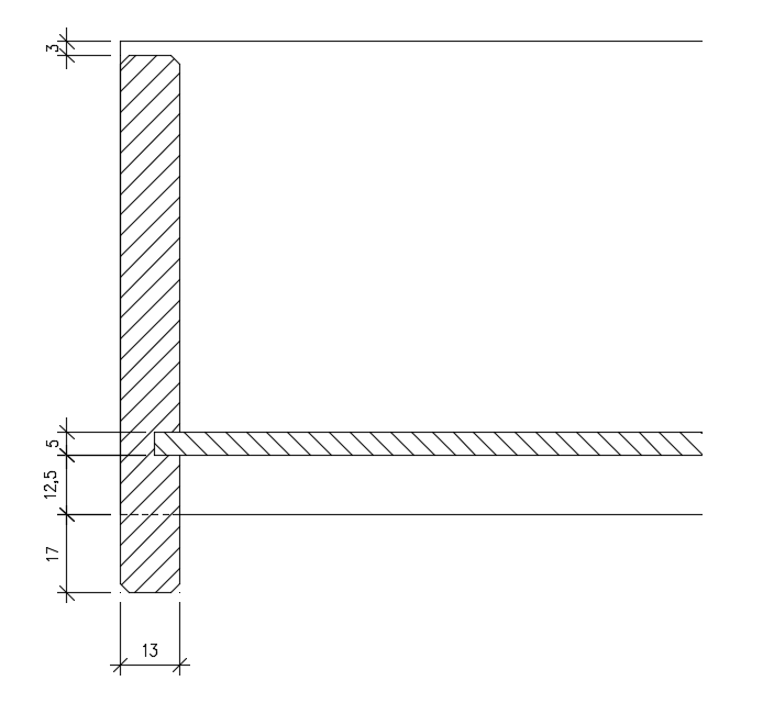
Fondo (5 mm o 10 mm)
Cassetti disponibili in diverse finiture e superfici
Adatti a tutti i sistemi di scorrimento
Cassetti interni con diverse fresature per maniglie e guida inglese
Cassetti in legno con verniciature RAL
Cassetti in legno con taglio per sottolavello
Cassetti in legno con divisori interni




Cassetti a pettine
Tipi di legno
Faggio non vaporizzato (standard)
Acero
Betulla
Rovere
Faggio vaporizzato
Larice
Ontano
Ciliegio europeo
Noce europeo
Abete rosso
Pino cembro
Frassino
Finiture cassetti a pettine
Laccato
Grezzo
Oliato
Cassetti con spine legno
Tipi di legno
Faggio non trattato (laccato, grezzo, oliato)
Faggio RAL 9003 bianco segnale
Faggio RAL 9005 nero profondo
Faggio RAL 9006 alluminio bianco
Faggio RAL 9010 bianco puro
Faggio RAL 9016 bianco traffico

Incisione di un logo o di una scritta
Rendete la vostra cassetta in legno ancora più unica e personalizzatela con il vostro marchio! Su richiesta, le cassette in legno possono essere personalizzate con il vostro logo o una scritta. La stampa laser può essere effettuata su uno o entrambi i lati. Prima della stampa definitiva, riceverete una foto di anteprima per l'approvazione.
Altezze del cassetto:
55, 71, 87, 103, 119, 135, 151, 183, 215, 247, 279, 311, 343, 375, 407, 439 mm
In caso di ordine, si prega di tenere presente quanto segue:
Larghezza esterna del cassetto:
per guide a estrazione totale Blum Tandem / Movento: profondità interna del mobile -15 mm
per guide a estrazione totale Hettich Actro 5D: profondità interna del mobile -16 mm
Profondità del cassetto:
per Blum Tandem / Movento estrazione totale lunghezza nominale +3 mm
per guide a estrazione totale Hettich Actro 5D: lunghezza nominale -10 mm
Profondità del cassetto interno:
per Blum Tandem / Movento Vollauszüge nominale +3 mm
per Hettich Actro 5D estrazione totale lunghezza nominale +3 mm